Std conf - Op Amps

Standard amplifier configurations using op-amps

Inverting amplifier

Non inverting amplifier

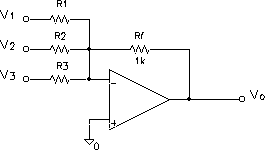
Inverting summer

Voltage follower

Non inverting summer

Difference

© Copyright 1996 New Mexico Institute of Mining and Technology