EE322 Laboratory

Linear Voltage Regulators

The purpose of this lab is to investigate voltage regulation techniques for generating constant voltages and power supplies.

Pre Lab.

Full-wave rectifier.

Analyze the discrete component regulator.

Analyze the regulator with short circuit.

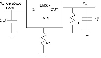
Single chip regulator

Full-wave Rectifier.

The source of unregulated voltage in a power supply is usually a half-or full-wave rectified sine wave from a transformer. For this lab we will use a full-wave bridge rectifier, as shown below. Construct the rectifier using 1N4007 rectifier diodes and a 100 uF filter capacitor (be sure to observe the polarity of the capacitor). Do not short out the transformer secondary.

Measure the output voltage with no load resistance using the oscilloscope and the DMM.

Measure the peak-to-peak ripple first with and then without a load resistor of 1 kilohm. (Use your scope in AC coupling mode to do this.) What is the observed ripple frequency?

For the rest of the experiment, put the unregulated voltage on one of your breadboard busses. Remove the load. You will put the load on the regulated voltage later.


Discrete Component Regulators.

An emitter follower circuit can be used to buffer the output of a simple zener voltage regulator, as shown below. We will use a power transistor for the emitter follower, the TIP31, because of the power demands that we will place on the circuit. Choose R such that a minimum of 12 mA of current will flow through the zener diode.



What is the expected output voltage of the regulator? Construct and test the circuit, using the unregulated output of your rectifier as the supply voltage for the circuit, and with Rload = 1 kilohm, as before. Measure and note the various voltages on your schematic. Then do the following:


Short Circuit Protection

The regulator can be protected against a short circuit on its output by adding another transistor, as shown below. If the output current exceeds a certain value, Q2 is turned on and `robs' Q1 of its base current. Build this circuit.



Integrated Circuit Regulators.

The circuit that you have just tested is the basic technique employed in the LM105 integrated circuit adjustable voltage regulator. Another IC regulator which is somewhat easier to use is the LM317. It is a three-terminal package in which the output is regulated to be 1.25 volts greater than the `adjust' input, which is a high impedance input. For this regulator, Vout = 1.25 (1 + R2 / R1). Use 240 ohms for R1 as suggested in the spec sheet.

Design a 5 volt regulator and build and test the circuit, using the unregulated output from your rectifier as the input to the regulator. Measure the load regulation and ripple rejection.